அதீனா இன்ஜினியரிங் எஸ்.ஆர்.எல்.
அதீனா இன்ஜினியரிங் எஸ்.ஆர்.எல்.
செய்தி

ஃப்ளோரோபிளாஸ்டிக் காந்த விசையியக்கக் குழாய்களுக்கான பயனர் வழிகாட்டி

ஃப்ளோரோபிளாஸ்டிக் காந்த விசையியக்கக் குழாய்கள் காந்த இணைப்புகள் வழியாக சக்தியைக் கடத்துகின்றன, பூஜ்ஜிய கசிவுடன் முழுமையான ஹெர்மீடிக் சீல் அடைகின்றன. காந்த இணைப்பின் வெளிப்புற காந்த எஃகு சுழலுமாறு மோட்டார் இயக்கும்போது, ​​காந்தக் கோடுகள் இடைவெளி மற்றும் தனிமை ஸ்லீவ் வழியாக உள் காந்த எஃகு மீது செயல்படுகின்றன, பம்ப் ரோட்டரை மோட்டாருடன் ஒத்திசைவாக சுழற்றவும் மற்றும் இயந்திர தொடர்பு இல்லாமல் முறுக்கு விசையை கடத்தவும் உதவுகிறது. தனிமைப்படுத்தப்பட்ட சட்டைக்குள் திரவம் அடைக்கப்பட்டுள்ளதால், பொருள் கசிவு முற்றிலும் அகற்றப்பட்டு, மாசுபாட்டைக் குறைக்கிறது, ஆற்றலைச் சேமிக்கிறது, சுற்றுச்சூழலைச் சுத்தப்படுத்துகிறது மற்றும் பணியிடத்தில் வேலை செய்பவர்களின் உடல் மற்றும் மன ஆரோக்கியத்தைப் பாதுகாக்கிறது.

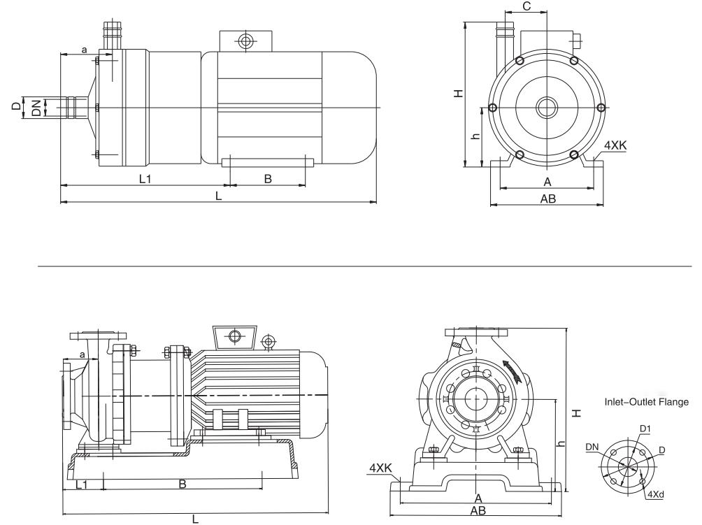
முக்கிய அம்சங்கள்ஃப்ளோரோபிளாஸ்டிக் காந்த விசையியக்கக் குழாய்கள்

1. பம்ப் இன்னர் லைனிங், இம்பெல்லர் இன்னர் ரோட்டர் மற்றும் ஐசோலேஷன் ஸ்லீவ் அனைத்தும் தூய்மையான எஃப் 46 பொருட்களிலிருந்து தூய்மையற்ற மழைப்பொழிவு இல்லாமல் ஒருங்கிணைக்கப்பட்டவை, அவை உயர் தூய்மை மற்றும் அதிக அரிக்கும் இரசாயன திரவங்களை மாற்றுவதற்கு மிகவும் பொருத்தமானவை.

2. பம்ப் உறையானது நீர்த்துப்போகக்கூடிய இரும்பினால் ஆனது, இது தேசிய தரமான விளிம்புகளுக்கு ஏற்ப வடிவமைக்கப்பட்டுள்ளது. இது சிறந்த இயந்திர வலிமையைக் கொண்டுள்ளது மற்றும் அதிக குழாய் சுமைகளைத் தாங்கும்.

3.தி ஃப்ளோ-த்ரூ கூறுகள் F46 மெட்டீரியலுடன் வரிசையாக உள்ளன, இதில் மென்மையான ஓட்டம் சேனல்கள், சிறந்த ஹைட்ராலிக் செயல்திறன், குறைந்த ஹைட்ராலிக் உராய்வு இழப்பு மற்றும் அதிக செயல்திறன் ஆகியவை உள்ளன.

4. பம்ப் ஷாஃப்ட், பேரிங் ஸ்லீவ் மற்றும் டைனமிக்/ஸ்டேடிக் ரிங்க்ஸ் அனைத்தும் அழுத்தம் இல்லாத சின்டர்டு சிலிக்கான் கார்பைடால் ஆனது, இது அதிக கடினத்தன்மை, அதிக உடைகள் எதிர்ப்பு மற்றும் அதிக அரிப்பு எதிர்ப்பை வெளிப்படுத்துகிறது.

5.பேரிங் ஸ்லீவ் உள்ளே இருக்கும் தனித்துவமான சுழல் பள்ளம் வடிவமைப்பு நெகிழ் தாங்கி ஜோடியை உயவூட்டுகிறது மற்றும் பம்ப் செயல்பாட்டின் போது உராய்வினால் உருவாகும் வெப்பத்தை திறமையாக சிதறடிக்கிறது.

6.இறக்குமதி செய்யப்பட்ட கார்பன் ஃபைபர் பொருட்களால் செய்யப்பட்ட ஒரு வலுவூட்டும் கவர் தனிமைப்படுத்தப்பட்ட ஸ்லீவ் வெளியே சேர்க்கப்பட்டுள்ளது, இது பம்ப் யூனிட்டை அதிக கணினி அழுத்தத்தை தாங்க அனுமதிக்கிறது மற்றும் உலோக சட்டைகளில் காந்த சுழல் நீரோட்டங்களால் உருவாகும் வெப்பத்தை நீக்குகிறது.

7.உள் மற்றும் வெளிப்புற காந்தங்கள் நியோடைமியம்-இரும்பு-போரான் பொருளால் ஆனவை, மேற்பரப்பு காந்தப் பாய்வு அடர்த்தி 3600 காஸ் வரை இருக்கும். இது அதிக ஓட்ட நிலைமைகளின் கீழ் கூட நழுவாமல், ப்ரைம் மூவரின் முறுக்கு விசையை இம்பெல்லருக்கு சீராக கடத்த உதவுகிறது, உள் சுழலி மற்றும் பின்புற உந்துதல் வளையத்திற்கு இடையேயான தொடர்பைத் தடுக்கிறது. இது உராய்வு வெப்பத்தின் காரணமாக ஃப்ளோரோபிளாஸ்டிக் கூறுகள் உருகுவதைத் தவிர்க்கிறது, அதிக அரிக்கும் சூழல்களில் காந்த விசையியக்கக் குழாயின் நிலையான செயல்பாட்டை உறுதி செய்கிறது.

8.முழு பம்ப் யூனிட்டும் பின்-இழுக்கும் கட்டமைப்பை ஏற்றுக்கொள்கிறது, இது ஒரு தனி நபர் உள் பராமரிப்பு மற்றும் பைப்லைனை பிரித்தெடுக்காமல் பகுதி மாற்றத்தை செய்ய அனுமதிக்கிறது, வசதியான பராமரிப்பை உறுதி செய்கிறது.

Magnetic pump product pictures


ஃப்ளோரின்-லைன் செய்யப்பட்ட காந்த விசையியக்கக் குழாய்களுக்கான நிறுவல் மற்றும் ஆணையிடுதல் விவரக்குறிப்புகள்

1.காந்த விசையியக்கக் குழாய்கள் செங்குத்தாக இல்லாமல் கிடைமட்டமாக நிறுவப்பட வேண்டும். செங்குத்து நிறுவல் தேவைப்படும் சிறப்பு சந்தர்ப்பங்களுக்கு, மோட்டார் மேல்நோக்கி எதிர்கொள்ள வேண்டும்.

2. உறிஞ்சும் திரவ நிலை பம்ப் ஷாஃப்ட் சென்டர்லைனை விட அதிகமாக இருக்கும் போது, ​​தொடங்குவதற்கு முன் உறிஞ்சும் குழாய் வால்வை திறக்கவும். உறிஞ்சும் திரவ நிலை பம்ப் ஷாஃப்ட் சென்டர்லைனை விட குறைவாக இருந்தால், குழாயில் ஒரு கால் வால்வு நிறுவப்பட வேண்டும்.

3.பம்பைத் தொடங்குவதற்கு முன், ஆய்வுகளை மேற்கொள்ளுங்கள்: மோட்டார் விசிறி கத்திகள் நெரிசல் அல்லது அசாதாரண சத்தம் இல்லாமல் நெகிழ்வாக சுழல வேண்டும்; அனைத்து ஃபாஸ்டென்சர்களும் பாதுகாப்பாக இறுக்கப்பட வேண்டும்.

4. மோட்டார் சுழற்சி திசையானது காந்த விசையியக்கக் குழாயின் சுழற்சி குறியுடன் பொருந்துகிறதா என்பதைச் சரிபார்க்கவும்.

5.மோட்டாரைத் தொடங்கிய பிறகு, டிஸ்சார்ஜ் வால்வை மெதுவாகத் திறக்கவும். பம்ப் ஒரு நிலையான இயக்க நிலைக்கு நுழைந்தவுடன், தேவையான திறப்புக்கு வெளியேற்ற வால்வை சரிசெய்யவும்.

6.பம்பை நிறுத்துவதற்கு முன், முதலில் டிஸ்சார்ஜ் வால்வை மூடவும், பின்னர் மின்சார விநியோகத்தை துண்டிக்கவும்.

ஃப்ளோரோபிளாஸ்டிக் காந்த விசையியக்கக் குழாய்களைப் பயன்படுத்துவதற்கான முன்னெச்சரிக்கைகள்

காந்த விசையியக்கக் குழாய்களைப் பயன்படுத்துவதற்கான சில குறிப்புகள் இங்கே. அவற்றைப் புரிந்துகொள்வது அவர்களின் பாதுகாப்பான மற்றும் திறமையான செயல்பாட்டை உறுதிப்படுத்த உதவும்:

எடுத்துக்காட்டாக, பம்பின் தாங்கு உருளைகள் குளிரூட்டல் மற்றும் உயவூட்டலுக்கு அனுப்பப்பட்ட ஊடகத்தை முழுமையாக நம்பியுள்ளன. எனவே, உலர் ஓட்டம் கண்டிப்பாக தடைசெய்யப்பட்டுள்ளது. மேலும், செயல்பாட்டின் போது மின் தடை ஏற்பட்ட பிறகு மறுதொடக்கம் செய்யும் போது சுமை இல்லாத செயல்பாட்டைத் தவிர்க்கவும், இல்லையெனில், கூறுகள் எளிதில் சேதமடையக்கூடும்.

கடத்தப்பட்ட ஊடகத்தில் திடமான துகள்கள் இருந்தால், பம்ப் இன்லெட்டில் வடிகட்டி திரையை நிறுவ நினைவில் கொள்ளுங்கள். இரும்புத் துகள்கள் இருந்தால், பம்ப் உடல் அசுத்தங்களால் சேதமடைவதைத் தடுக்க ஒரு காந்த வடிகட்டி பொருத்தப்பட வேண்டும்.

பயன்பாட்டின் போது சுற்றுப்புற வெப்பநிலை 40 ° C ஐ விட அதிகமாக இருக்கக்கூடாது, மற்றும் மோட்டார் வெப்பநிலை உயர்வு 75 ° C ஐ விட அதிகமாக இருக்கக்கூடாது, இல்லையெனில், அது சேவை வாழ்க்கையை பாதிக்கலாம்.

கூடுதலாக, கடத்தப்பட்ட ஊடகம் மற்றும் அதன் வெப்பநிலை பம்பின் பொருள் தேவைகளை பூர்த்தி செய்ய வேண்டும். பொதுவாகச் சொன்னால், கடினமான துகள்கள் மற்றும் இழைகள் இல்லாத, 100°C க்கும் குறைவான வெப்பநிலை கொண்ட திரவங்களை கடத்துவதற்கு ஏற்றது. அதிகபட்ச கணினி வேலை அழுத்தம் 1.0 MPa ஐ விட அதிகமாக இருக்கக்கூடாது, திரவ அடர்த்தி 1300 kg/m³ ஐ விட அதிகமாக இருக்கக்கூடாது, மற்றும் பாகுத்தன்மை 30 cm²/s ஐ விட அதிகமாக இருக்கக்கூடாது. சிறப்பு நிகழ்வுகளுக்கு, குறிப்பிட்ட ஒப்பந்தங்கள் பின்பற்றப்பட வேண்டும்.

அனுப்பப்பட்ட திரவம் மழைப்பொழிவு மற்றும் படிகமயமாக்கலுக்கு ஆளானால், பயன்பாட்டிற்குப் பிறகு சரியான நேரத்தில் பம்ப் உடலை சுத்தம் செய்து, அடைப்பைத் தவிர்க்க உள்ளே உள்ள அனைத்து திரட்டப்பட்ட திரவத்தையும் வெளியேற்றவும்.

1000 மணிநேர இயல்பான செயல்பாட்டிற்குப் பிறகு, தாங்கு உருளைகள் மற்றும் இறுதி-முக டைனமிக் மோதிரங்களின் தேய்மானத்தை சரிபார்க்க நல்லது. அணிந்திருக்கும் பாதிக்கப்படக்கூடிய பகுதிகளை செய்ய வேண்டாம்; செயல்திறனை உறுதிப்படுத்த சரியான நேரத்தில் மாற்றுதல் அவசியம்.

மேலும் ஒரு நினைவூட்டல்: காந்த விசையியக்கக் குழாயில் உள்ள காந்த இணைப்பு உயர் செயல்திறன் கொண்ட நிரந்தர காந்தப் பொருட்களைப் பயன்படுத்துகிறது, இது இதயமுடுக்கிகள், காந்த அட்டைகள், மொபைல் போன்கள் மற்றும் கைக்கடிகாரங்கள் போன்ற சில முக்கிய சாதனங்களைப் பாதிக்கலாம். அவர்களிடமிருந்து ஒரு குறிப்பிட்ட தூரத்தை வைத்திருக்க நினைவில் கொள்ளுங்கள்.

இறுதியாக, மின்சாரம் வழங்கல் மின்னழுத்தம் நிலையானதாக இருக்க வேண்டும் மற்றும் மிக அதிகமாக இருக்கக்கூடாது. 18.5 kW க்கும் அதிகமான சக்தி கொண்ட பம்புகளுக்கு, அதிர்வெண் மாற்றும் சாதனம் அல்லது ஆட்டோ-மின்மாற்றி படி-கீழ் சாதனத்தை நிறுவ பரிந்துரைக்கப்படுகிறது, இது மோட்டாரை சிறப்பாக பாதுகாக்கும்.

தவறுகள் மற்றும் சரிசெய்தல் முறைகள்




பிழை வகை காரணங்கள் சிக்கலைத் தீர்க்கும் முறைகள்
நீர் வெளியேற்றம் இல்லை 1. தலைகீழ் பம்ப் சுழற்சி2. உறிஞ்சும் குழாயில் காற்று கசிவு 3. பம்ப் சேம்பரில் போதிய தண்ணீர் இல்லை4. தொடக்கத்தின் போது அதிக மின்னழுத்தம் இணைப்பு சறுக்கலை ஏற்படுத்துகிறது5. அதிகமாக உறிஞ்சும் லிப்ட்6. வால்வு திறக்கப்படவில்லை 1. மோட்டார் வயரிங்2. காற்று கசிவை நீக்குதல்3. பம்ப் அறையில் நீரின் அளவை அதிகரிக்கவும்4. மின்னழுத்தத்தை சரிசெய்யவும் 5. பம்ப் நிறுவல் நிலையை குறைக்கவும்6. வால்வை சரிசெய்யவும் அல்லது மாற்றவும்
போதிய ஓட்டம் இல்லை 1. மிகவும் சிறிய அல்லது அடைபட்ட உறிஞ்சும் குழாய் விட்டம்2. தடுக்கப்பட்ட தூண்டுதல் ஓட்டம் சேனல்3. மிக உயர்ந்த தலை4. தூண்டுதல் உடைகள் 1. உறிஞ்சும் குழாயை மாற்றவும் அல்லது சுத்தம் செய்யவும்2. தூண்டுதலை சுத்தம் செய்யவும்3. தண்ணீர் வால்வை அகலமாக திறக்கவும்4. தூண்டுதலை மாற்றவும்
தாழ்ந்த தலை 1. அதிகப்படியான அதிக ஓட்டம்2. மிகக் குறைந்த சுழற்சி வேகம் 1. வெளியேற்ற வால்வின் திறப்பைக் குறைக்கவும்2. மதிப்பிடப்பட்ட சுழற்சி வேகத்தை மீட்டெடுக்கவும்
அதிக சத்தம் 1. கடுமையான தண்டு உடைகள்2. கடுமையான தாங்கும் உடைகள்3. வெளிப்புற / உள் காந்த எஃகு மற்றும் தனிமை ஸ்லீவ் இடையே தொடர்பு. சீல் வளையம் மற்றும் இம்பல்லர் ஒன்றுக்கொன்று எதிராக அரைக்கும். நிலையற்ற குழாய் ஆதரவு6. குழிவுறுதல் 1. தாங்கியை மாற்றவும்2. தண்டை மாற்றவும்3. பம்ப் தலையை அகற்றி மீண்டும் இணைக்கவும்4. உந்துதல் வளையம் மற்றும் சீல் வளையத்தை மாற்றவும்5. குழாயை உறுதிப்படுத்தவும்6. வெற்றிட அளவைக் குறைக்கவும்
திரவ கசிவு சேதமடைந்த ஓ-மோதிரம் ஓ-மோதிரத்தை மாற்றவும்

டெஃபிகோ: ஃப்ளோரோபிளாஸ்டிக் காந்த பம்ப் துறையில் ஒரு இத்தாலிய கைவினைத் தேர்வு

ஃப்ளோரோபிளாஸ்டிக் காந்த விசையியக்கக் குழாய்களின் தேர்வு மற்றும் பயன்பாட்டில், பாதுகாப்பான மற்றும் திறமையான உற்பத்தியை உறுதி செய்வதற்கு வலுவான தொழில்நுட்ப திறன்கள், நம்பகமான தரம் மற்றும் தொழில்துறை அனுபவம் கொண்ட பிராண்டைத் தேர்ந்தெடுப்பது முக்கியமானது.டெஃபிகோ, ஒரு இத்தாலிய பிராண்ட், இந்தத் துறையில் நம்பகமான தேர்வாகும். நிலையான வேலை நிலைமைகளின் கீழ் நிலையான வெளியீடு தேவைப்பட்டாலும் அல்லது சிறப்பு ஊடகங்களுக்கான தனிப்பயனாக்கப்பட்ட தீர்வுகள் தேவைப்பட்டாலும், Teffiko அதன் தொழில்முறை தயாரிப்புகள் மற்றும் சேவைகளுடன் நம்பகமான ஆதரவை வழங்க முடியும், இது தொழில்துறை உற்பத்தியில் ஃப்ளோரோபிளாஸ்டிக் காந்த விசையியக்கக் குழாய் பயன்பாடுகளுக்கு சிறந்த பங்காளியாக இருக்கும்.





தொடர்புடைய செய்திகள்
எனக்கு ஒரு செய்தி அனுப்பு
செய்தி பரிந்துரைகள்
  • BACK TO ATHENA GROUP
  • X
    உங்களுக்கு சிறந்த உலாவல் அனுபவத்தை வழங்கவும், தள போக்குவரத்தை பகுப்பாய்வு செய்யவும் மற்றும் உள்ளடக்கத்தைத் தனிப்பயனாக்கவும் நாங்கள் குக்கீகளைப் பயன்படுத்துகிறோம். இந்தத் தளத்தைப் பயன்படுத்துவதன் மூலம், எங்கள் குக்கீகளைப் பயன்படுத்துவதை ஒப்புக்கொள்கிறீர்கள். தனியுரிமைக் கொள்கை
    நிராகரிக்கவும் ஏற்றுக்கொள்